Trusted Partners:

Production and Data Acquisition

We will help your company reach the goal of complete integration of plant data collection.


Whether your company wishes to implement an off the shelf SCADA package or have us provide custom applications, NRG Innovative Solutions Corp. has the in-house resources to achieve the goal.

Assessment and Design

It is critical to determine if what you want is already being measured. If this data is not currently accessible we must determine whether the existing PLC can accommodate additional instrumentation.

Implementation

Utilizing the existing PLC hardware is a cost effective approach but hardware limitations may prohibit placement of additional instrumentation into the existing control systems. If this is the case a decision must be made whether to upgrade, expand, or completely replace the existing controls.

Other options such as stand-alone instruments can also be considered.

Data Reporting and Management

Collected data must be reliable and robust. This may require data conditioning within the PLC. Data accumulation and processing places only a small burden on the system resources of most current PLC designs. Alternatively if one were to attempt to apply system “watchdogs” to production lines from the PC platform, operating system resources and timing limitations could result in unreliable data acquisition. Some functions are inherently more reliable when performed at the level of process control.

This is a notorious area of difficulty for SCADA software packages. Forced by necessity to read data from the PLC only every few milliseconds, short duration events may not be captured. It may be reasonable to consider utilizing a supervisory PLC to gather data from the existing PLCs controlling the process.

Multi Departmental Use

SCADA can and should be made available for multi-departmental use. Perhaps Quality Assurance has an interest in monitoring defect rates, scrap rates and process yields. Perhaps automating SPC is a goal. Production would like to identify manufacturing bottlenecks and productivity issues.

Data Storage

Data that is graphed, logs events, or is sent to a report must reside in some form of electronic storage. Whether data is generated in the PC as a process "recipe" or retrieved from the machine/process, all non-immediate data must be safely stored in a database.

Users can query the database by means of commercial database software or custom applications.

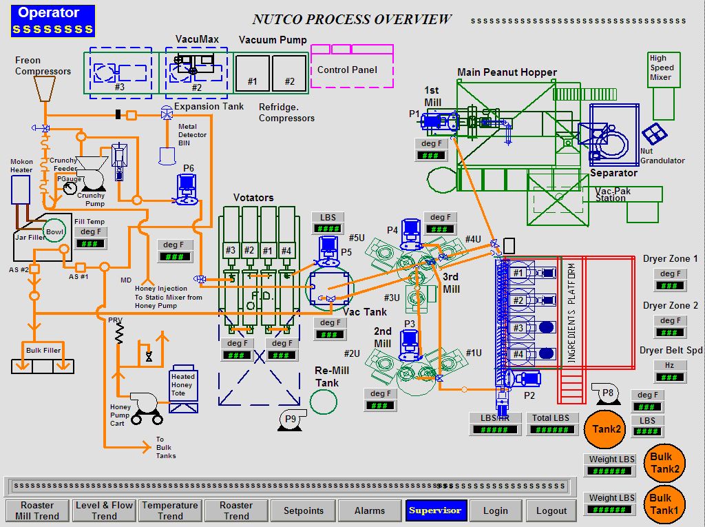
Peanut Butter Process

Target vs. Actual

Gathering PLC Data


There is far more to SCADA implementation that merely installing software on a PC. NRG Innovative Solutions Corp. will help you clear the fog of complexity surrounding SCADA implementation.


Contact us today!